My title My title
管道配件
QB2(P2)-10双口排气阀
文章来源:未知      发布者:admin
产品名称
  QB2(P2)-10双口排气阀
 
产品规格
  
 
产品用途
  
     
详细说明
     

 产品特点:

双口排气阀诞生于70年代,体形大,重量重,排气量小,该排气阀在80年代末最为理想产品,问世以来一直还续用。排气阀是管道必备设备,安装在管道最高点或闭气地方,来排除管内气体,疏通 管道,使管道运转正常,如停电、停泵时管内会出现负压引起管道振动和破裂,该排气阀及时吸气, 确保管路安全。
QB2法兰双口型适用于温度不超过100°C的水、热水管道上使管道内的空气全部排出。
    (1)注:D> 350mm管路请选单口排气阀(QB1-10)。
    (2)安装双口排气型,底下一定要安装一只保护阀门、球阀(Q41F-16),以免检验停水。
    (3)如需方要求本排气阀法兰大小尺寸如变动,请在合同上注明法兰连接尺寸。本排气阀适用 水、热水、最高温度100°C的管道上,使管道内的气体全部排出。

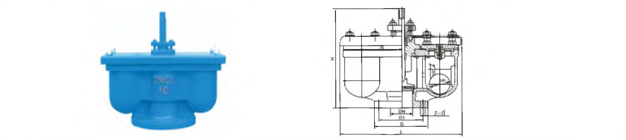
    产品结构:

    主要尺寸:
公称尺寸DN D Di D2 L H z_d
50 160 125 100 325 325 4-14
80 195 160 135 350 325 4-14
100 215 180 155 385 360 4-18
125 245 210 185 480 475 8-18
150 280 240 210 480 475 8-18
200 335 295 265 620 580 8-23
 
© 2017-2018 版权所有甘肃红峰机械 陇ICP备14001732号